Verwendungszweck
Abnehmbare Klemmenblöcke werden für die Stromversorgung und für E/A-Anschlüsse auf AC500-eCo Prozessormodulen PM50x2 verwendet.
Für Optionsbaugruppen gibt es verschiedene abnehmbare Klemmenblöcke in Federausführung.
Für die AC500-eCo Basic-CPUs werden eine 3-polige Klemmleiste für die Stromversorgung und eine 13-polige Klemmleiste für die E/A-Anschlüsse verwendet.
Für die AC500-eCo Standard-CPUs und Pro-CPUs werden ein 3-poliger Klemmenblock für die Stromversorgung, ein 13-poliger Klemmenblock und ein 12-poliger Klemmenblock für E/A-Anschlüsse verwendet.
Es gibt für alle CPUs eine Schraub- und eine Federvariante.
|
Basis-CPU |
Standard- und Pro-CPUs |
||
|---|---|---|---|
|
Federklemme TA5211-TSPF-B |
Schraubklemme TA5211-TSCL-B |
Federklemme TA5212-TSPF |
Schraubklemme TA5212-TSCL |
![]() |
![]() |
![]() |
![]() |
Für Optionsbaugruppen gibt es verschiedene abnehmbare Federkraftklemmleisten.
Folgende Ersatzteile sind erhältlich (je nach Anzahl der Pole).
|
Federzugklemmen |
|||
|---|---|---|---|
|
TA5220-SPF5 |
TA5220-SPF6 |
TA5220-SPF7 |
TA5220-SPF8 |
![]() |
![]() |
![]() |
![]() |




VORSICHT

Verletzungsgefahr und Gefahr der Beschädigung des Produkts!
Unsachgemäße Installation und Wartung kann zu Verletzungen und Beschädigungen des Produkts führen!
-
Installation und Wartung dürfen nur nach den technischen Regeln, Richtlinien und einschlägigen Normen, z. B. EN 60204-1, vorgenommen werden.
-
Lesen Sie vor dem Verdrahten sorgfältig die Produktdokumentation. Durch eine unsachgemäße Verdrahtung oder die Verwendung einer falschen Klemmenleiste eines anderen Geräts kann das Produkt beschädigt werden!
-
Nur von qualifiziertem Personal.




VORSICHT

Bei Verwendung nicht zulässiger Klemmenleisten besteht Verletzungsgefahr und das-Modul kann beschädigt werden!
Verwenden Sie nur von ABB zugelassene Klemmenleisten, um Verletzungen und eine Beschädigung des-Moduls zu verhindern.
Klemmenleistensatz für PM50x2
Klemmenleistensatz für PM50x2
Prozessor-Module PM50x2 CPU werden nicht mit Klemmenleisten geliefert.
Schraubklemmenleistensatz:
-
TA5211-TSCL-B (1SAP187400R0001) für PM5012-x-ETH
-
TA5212-TSCL (1SAP187400R0004) für PM5032-x-ETH, PM5052-x-ETH, PM5072-T-2ETH(W), PM5082-T-2ETH
Federkraftklemmenleistensatz:
-
TA5211-TSPF-B (1SAP187400R0002) für PM5012-x-ETH
-
TA5212-TSPF (1SAP187400R0005) für PM5032-x-ETH, PM5052-x-ETH, PM5072-T-2ETH(W), PM5082-T-2ETH
Abmessungen
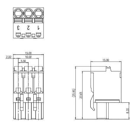
3-polige Klemmenleiste für die Stromversorgung
Schraubklemme

Federzugklemme

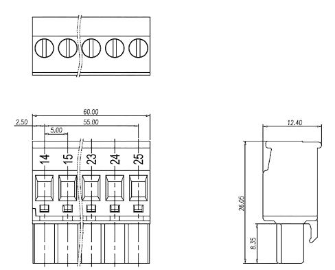
13-polige Klemmenleiste für E/A-Steckverbinder
Schraubklemme

Federzugklemme

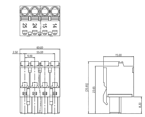
12-polige Klemmleiste für E/A-Anschlüsse
Schraubklemme

Federzugklemme

x-polige Klemmenleisten für Optionsbaugruppen
Für Optionsbaugruppen sind nur diese x-poligen Klemmenleisten erhältlich.
TA5220-SPFx, mit x = 5 ... 8

Dies ergibt folgende Abmessungen für die verfügbaren Federkraftklemmleisten.
|
Beschreibung |
Anschluss |
Länge [mm] |
Breite [mm] |
Höhe [mm] |
|---|---|---|---|---|
|
TA5220-SPF5 |
5 |
18,2 |
7,7 |
22,9 |
|
TA5220-SPF6 |
6 |
21,7 |
7,7 |
22,9 |
|
TA5220-SPF7 |
7 |
25,2 |
7,7 |
22,9 |
|
TA5220-SPF8 |
8 |
28,7 |
7,7 |
22,9 |
Montage

Demontage

Technische Daten
|
Parameter |
Wert |
|
|---|---|---|
|
Typ |
||
|
TA5211-TSCL-B |
Abnehmbare 3-polige Klemmleiste: Schraubenvorderseite/Kabelseite 5,00 mm Steigung |
|
|
TA5212-TSCL |
||
|
Verwendung als |
Stromversorgung für AC500-eCo Prozessormodule |
|
|
Leitungsquerschnitt |
||
|
Fest (Kupfer) |
0,5 mm²... 2,5 mm² |
|
|
Flexibel (Kupfer) |
0,5 mm²... 2,5 mm² |
|
|
Abisolierte Länge |
7 mm |
|
|
Anzugs-Drehmoment |
0,5 Nm |
|
|
Abmessungen |
||
|
3-polige Klemmleiste |
15 mm x 12,4 mm x 26,05 mm |
|
|
Gewicht |
||
|
TA5211-TSCL-B |
150 g (2 Anschlussklemmen) |
|
|
TA5212-TSCL |
200 g (3 Klemmleisten) |
|
|
Parameter |
Wert |
|
|---|---|---|
|
Typ |
||
|
TA5211-TSPF-B |
Abnehmbare 3-polige Klemmleiste: Feder vorne/Seil vorne 5,00 mm Teilung |
|
|
TA5212-TSPF |
||
|
Verwendung als |
Stromversorgung für AC500-eCo Prozessormodule |
|
|
Leitungsquerschnitt |
||
|
Fest (Kupfer) |
0,5 mm²... 2,5 mm² |
|
|
Flexibel (Kupfer) |
0,5 mm²... 2,5 mm² |
|
|
Abisolierte Länge |
11 mm |
|
|
Abmessungen |
||
|
3-polige Klemmleiste |
15 mm x 15 mm x 25,95 mm |
|
|
Gewicht |
||
|
TA5211-TSPF-B |
150 g (2 Anschlussklemmen) |
|
|
TA5212-TSPF |
200 g (3 Klemmleisten) |
|
|
Parameter |
Wert |
|
|---|---|---|
|
Typ |
||
|
TA5211-TSCL-B |
Abnehmbare 13-polige Klemmleiste: Schraubenvorderseite/Kabelseite 5,00 mm Steigung |
|
|
TA5212-TSCL |
Abnehmbare 13-polige und 12-polige Klemmleiste: Schraubenvorderseite/Kabelseite 5,00 mm Steigung |
|
|
Verwendung als |
Integrierte E/As für AC500-eCo Prozessormodule |
|
|
Leitungsquerschnitt |
||
|
Fest (Kupfer) |
0,5 mm²... 2,5 mm² |
|
|
Flexibel (Kupfer) |
0,5 mm²... 2,5 mm² |
|
|
Abisolierte Länge |
7 mm |
|
|
Anzugs-Drehmoment |
0,5 Nm |
|
|
Abmessungen |
||
|
13-polige Klemmleiste |
65 mm x 12,4 mm x 26,05 mm |
|
|
12-polige Klemmleiste |
60 mm x 12,4 mm x 26,05 mm |
|
|
Gewicht |
||
|
TA5211-TSCL-B |
150 g (2 Anschlussklemmen) |
|
|
TA5212-TSCL |
200 g (3 Klemmleisten) |
|
|
Parameter |
Wert |
|
|---|---|---|
|
Typ |
||
|
TA5211-TSPF-B |
Abnehmbare 13-polige Klemmleiste: Feder vorne/Seil vorne 5,00 mm Teilung |
|
|
TA5212-TSPF |
Abnehmbare 13-polige und 12-polige Klemmleiste: Feder vorne/Seil vorne 5,00 mm Teilung |
|
|
Verwendung als |
Integrierte E/As für AC500-eCo Prozessormodule |
|
|
Leitungsquerschnitt |
||
|
Fest (Kupfer) |
0,5 mm²... 2,5 mm² |
|
|
Flexibel (Kupfer) |
0,5 mm²... 2,5 mm² |
|
|
Abisolierte Länge |
11 mm |
|
|
Abmessungen |
||
|
13-polige Klemmleiste |
65 mm x 15 mm x 25,95 mm |
|
|
12-polige Klemmleiste |
60 mm x 15 mm x 25,95 mm |
|
|
Gewicht |
||
|
TA5211-TSPF-B |
150 g (2 Anschlussklemmen) |
|
|
TA5212-TSPF |
200 g (3 Klemmleisten) |
|
|
Parameter |
Wert |
|
|---|---|---|
|
Typ |
||
|
TA5220-SPF5 |
Abnehmbare 5-polige Klemmleiste: Feder vorne, Kabel vorne 3,50 mm Teilung |
|
|
TA5220-SPF6 |
Abnehmbare 6-polige Klemmleiste: Feder vorne, Kabel vorne 3,50 mm Teilung |
|
|
TA5220-SPF7 |
Abnehmbare 7-polige Klemmleiste: Feder vorne, Kabel vorne 3,50 mm Teilung |
|
|
TA5220-SPF8 |
Abnehmbare 8-polige Klemmleiste: Feder vorne, Kabel vorne 3,50 mm Teilung |
|
|
Verwendung als |
Steckverbinder für AC500-eCo Optionsbaugruppen |
|
|
Leitungsquerschnitt |
||
|
Fest (Kupfer) |
0,2 mm²... 1,5 mm² |
|
|
Flexibel (Kupfer) |
0,2 mm²... 1,5 mm² |
|
|
Abisolierte Länge |
8 mm ... 10 mm |
|
|
Abmessungen |
||
|
TA5220-SPF5 |
18,2 mm x 7,7 mm x 22,9 mm |
|
|
TA5220-SPF6 |
21,7 mm x 7,7 mm x 22,9 mm |
|
|
TA5220-SPF7 |
25,2 mm x 7,7 mm x 22,9 mm |
|
|
TA5220-SPF8 |
28,7 mm x 7,7 mm x 22,9 mm |
|
|
Gewicht |
||
|
TA5220-SPF5 |
150 g |
|
|
TA5220-SPF6 |
170 g |
|
|
TA5220-SPF7 |
180 g |
|
|
TA5220-SPF8 |
200 g |
|
Bestelldaten
|
Bestellnummer |
Beschreibung |
|---|---|
|
1SAP 187 400 R0001 |
TA5211-TSCL-B: Schraubklemmenblocksatz für AC500-eCo CPU Basic Schraube vorne, Kabelseite 5,00 mm Steigung
|
|
1SAP 187 400 R0002 |
TA5211-TSPF-B: Federklemmleistensatz für AC500-eCo CPU Basic Feder vorne, Kabel vorne 5,00 mm Teilung
|
|
Bestellnummer |
Beschreibung |
|---|---|
|
1SAP 187 400 R0004 |
TA5212-TSCL: Schraubklemmenblock-Set für AC500-eCo Standard und Pro CPU Schraube vorne, Kabelseite 5,00 mm Steigung
|
|
1SAP 187 400 R0005 |
TA5212-TSPF: Federklemmleistensatz für AC500-eCo Standard und Pro CPU Feder vorne, Kabel vorne 5,00 mm Teilung
|
|
Bestellnummer |
Beschreibung |
|---|---|
|
1SAP 187 400 R0012 |
TA5220-SPF5: Federzugklemme, abnehmbar, 5-polig, Federfront, Kabelfront, 6 Stück pro Verpackungseinheit |
|
1SAP 187 400 R0013 |
TA5220-SPF6: Federzugklemme, abnehmbar, 6-polig, Federfront, Kabelfront, 6 Stück pro Verpackungseinheit |
|
1SAP 187 400 R0014 |
TA5220-SPF7: Federzugklemme, abnehmbar, 7-polig, Federfront, Kabelfront, 6 Stück pro Verpackungseinheit |
|
1SAP 187 400 R0015 |
TA5220-SPF8: Federzugklemme, abnehmbar, 8-polig, Federfront, Kabelfront, 6 Stück pro Verpackungseinheit |







