Eine detaillierte Beschreibung der Montage, Demontage und des Anschlusses des Moduls finden Sie in der Montageanleitung ⮫ .
Die Module werden auf eine E/A-Terminal Unit gesteckt.
Positionieren Sie die Module richtig und drücken Sie sie an, bis sie einrasten. Die Terminal Units werden auf einer DIN-Schiene oder mit 2 Schrauben und dem zusätzlichen Zubehör für die Wandmontage montiert.
⮫ „TA526 - Zubehör für die Wandmontage“
Der Anschluss der E/A-Kanäle erfolgt über die 40 Klemmen der E/A-Terminal Unit. E/A-Module können ohne Neuverdrahtung der Terminal Unit ausgetauscht werden.
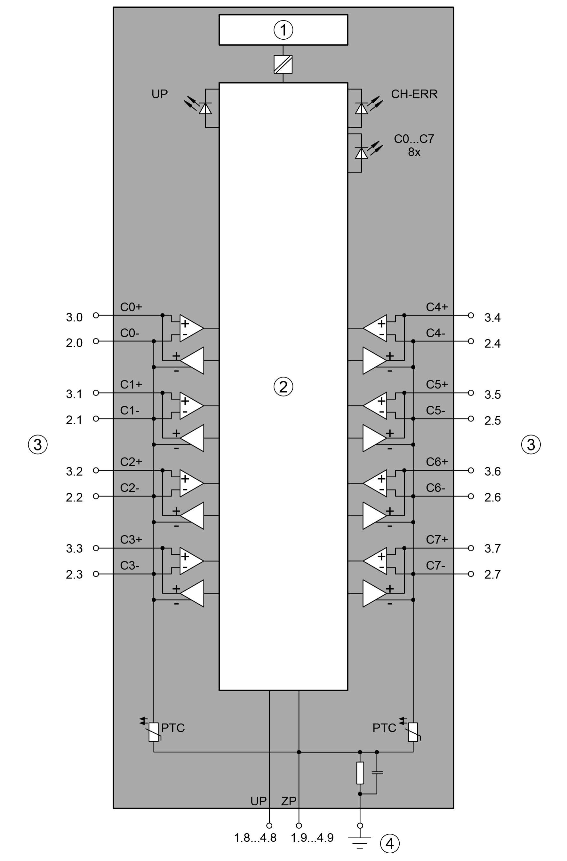
Die Klemmen 1.8, 2.8, 3.8 und 4.8 sowie 1.9, 2.9, 3.9 und 4.9 sind innerhalb der E/A-Terminal Units elektrisch miteinander verbunden und haben immer die gleiche Belegung, unabhängig vom gesteckten Modul:
Klemmen 1.8, 2.8, 3.8 und 4.8: Prozessspannung UP = +24 V DC
Klemmen 1.9, 2.9, 3.9 und 4.9: Prozessspannung ZP = 0 V DC
Zuordnung der weiteren Klemmen:
|
Klemmen |
Signal |
Beschreibung |
|---|---|---|
|
1.0 ... 1.7 |
Nicht benutzt |
Nicht benutzt |
|
2.0 ... 2.7 |
C0- ... C7- |
Negative Pole der 8 analogen Ein- und Ausgänge |
|
3.0 ... 3.7 |
C0+ ... C7+ |
Positive Pole der analogen Ein- und Ausgänge |
|
4.0 ... 4.7 |
Nicht benutzt |
Nicht benutzt |

- 1
-
E/A-Bus-Schnittstelle
- 2
-
Logik
- 3
-
Analogeingänge/-ausgänge
- 4
-
Funktionserdung
Die negativen Pole der Analogeingänge sind miteinander verbunden, um ein "Analog Ground"-Signal für das Modul zu bilden.
Die negativen Pole der analogen Ausgänge sind miteinander verbunden, um ein "Analog Ground"-Signal für das Modul zu bilden.
Es besteht keine galvanische Trennung zwischen den analogen Schaltkreisen und ZP/UP. Deshalb müssen die analogen Sensoren galvanisch getrennt werden, um Schleifen über das Massepotential oder die Versorgungsspannung zu vermeiden.
Auf Grund des gemeinsamen Bezugspotenzials können analoge Stromeingänge nicht in Reihe hintereinander geschaltet werden, weder innerhalb des Moduls selbst noch mit Kanälen anderer Module.
Zur Erkennung offener Stromkreise (Drahtbruch) wird jeder analoge Eingangskanal mittels eines hochohmigen Widerstands gegen „Plus“ gezogen. Ist an einem Kanal nichts angeschlossen, wird die maximale Spannung eingelesen.
Die interne Versorgungsspannung für die Schaltkreise des Moduls erfolgt über den E/A-Bus (bereitgestellt von einem Kommunikationsschnittstellenmodul oder einer CPU). Dadurch erhöht sich die Stromaufnahme aus der 24-V-DC-Versorgung an den Klemmen L+/UP und M/ZP des CPU/Kommunikations-Schnittstellenmoduls um 2 mA pro E/A-Modul. Der Anschluss der externen Versorgungsspannung erfolgt an den Klemmen UP (+24 V DC) und ZP (0 V DC).




WARNUNG

Entfernen/Einsetzen im laufenden Betrieb
Das Herausnehmen oder Einsetzen unter Spannung ist nur zulässig, wenn alle Bedingungen für das Hot Swapping erfüllt sind.
⮫ „Ersetzen eines E/A-Moduls mit Hot-Swap“
Die Geräte sind nicht für das Entfernen oder Einsetzen unter Spannung ausgelegt, wenn die Bedingungen für Hot Swap nicht zutreffen. Wegen der unvorhersehbaren Folgen ist es nicht erlaubt, Geräte im eingeschalteten Zustand anzuschließen oder auszustecken.
Vergewissern Sie sich, dass alle Spannungsquellen (Versorgungs- und Prozessspannung) ausgeschaltet sind, bevor Sie eine der folgenden Maßnahmen durchführen:
-
Verbinden oder trennen Sie ein Signal oder eine Klemmleiste.
-
Ein Modul entfernen, montieren oder ersetzen.
Das Trennen von stromführenden Geräten unter Spannung an einem gefährlichen Ort kann zu einem Lichtbogen führen, der eine Zündquelle bilden kann, die zu einem Brand oder einer Explosion führt.
Vergewissern Sie sich, dass die Stromzufuhr unterbrochen und der Bereich gründlich überprüft wurde, um sicherzustellen, dass keine brennbaren Materialien vorhanden sind, bevor Sie fortfahren.
Die Geräte dürfen niemals während des Betriebs geöffnet werden. Gleiches gilt für die Netzwerkschnittstellen.




HINWEIS

Gefahr der Beschädigung von SPS-Modulen!
Überspannungen oder Kurzschlüsse können die SPS-Module beschädigen.
-
Stellen Sie sicher, dass vor jeglichen Tätigkeiten am System alle Spannungsquellen (Versorgungs- und Prozess-Versorgungsspannung) ausgeschaltet sind.
-
Schließen Sie niemals Spannungen oder Signale an reservierte Klemmen an (mit --- gekennzeichnet). Reservierte Klemmen können interne Spannungen aufweisen.
Allgemeine analoge Signalleitungen müssen grundsätzlich in geschirmten Kabeln geführt werden. Die Kabelschirmung muss an beiden Kabelenden geerdet werden. Um unzulässige Potenzialdifferenzen zwischen verschiedenen Anlagenteilen zu vermeiden, müssen niederohmige Potenzialausgleichsleitungen verlegt werden.
Die Prozessspannung muss in das Erdungskonzept der Steuerung einbezogen werden (z.B. Erdung des Minuspols).
Durch die Verlegung von Potentialausgleichsleitern zwischen den verschiedenen Teilen des Systems muss sichergestellt werden, dass die Potentialdifferenz zwischen ZP und AGND niemals 1 V überschreitet.
-
Anschluss von Widerstandsthermometern in 2-Leiter-Konfiguration
-
Anschluss von Widerstandsthermometern in 3-Draht-Schaltung
-
Anschluss aktiver analoger Sensoren (Spannung) mit galvanisch getrennter Spannungsversorgung
-
Anschluss von aktiven Analogsensoren (Strom) mit galvanisch getrennter Stromversorgung
-
Anschluss von analogen Sensoren aktiver Art (Spannung) ohne galvanisch getrennte Stromversorgung
-
Anschluss von passiven Analogsensoren (Strom)
-
Anschluss von analogen Sensoren aktiver Art (Spannung) an Differenzeingänge
-
Benutzung von Analogeingängen als digitale Eingänge
-
Anschluss von analogen Ausgangslasten (Spannung, Strom)